メインコンテンツに移動
ロゴ
    • OIST とは
    • 学生・教職員数等
      • 学長
      • 学長メディアライブラリー
      • 学長主催講演会
      • 学長オフィス
      • プレジデント・カウンシル
      • リーダーシップ & ガバナンス
      • 役員・大学幹部
      • 理事会
      • 評議員会
      • 組織図
      • 歴代理事長・学長
      • 基本方針・ルール・手続き
      • 沿革
      • 沖縄科学技術基盤整備機構
      • 尾身幸次
    • 発行物・レポート
      • 調達情報
      • 工事関連の調達・入札情報
      • 物品・役務等の調達・入札情報
      • 調達規則類
      • お取引先の皆様へ
      • 海外からの搬入/営業について
      • キャンパスへの搬入/営業
      • 電子入札システム
    • 不正通報ホットライン
      • 情報公開
      • 基本情報
      • 情報公開制度のご案内
      • 個人情報保護制度のご案内
      • 私立学校法に規定する書類
      • 学校教育法等に規定する情報の公表
      • 情報公開法第22条及び施行令第12条に基づく情報提供
      • 公文書管理法に基づく情報公開
      • 個人情報保護法第75条第1項に基づく情報公開
      • その他の公表情報
      • OISTにおける安全衛生
      • OISTの安全衛生体制について
      • 保健センター
    • OISTクリニック
      • 個人情報保護への取り組み
      • 個人情報ファイル簿
    • OISTの研究
      • 研究者・研究ユニット
      • 教員
      • 研究ユニット
      • サイエンス・テクノロジー・グループ
      • ぶりぶし(群星)フェローシップ
      • オープンセンター
      • OIST量子技術センター
      • Open Center for Energy
      • 研究活動
      • 専門分野
      • カンファレンス・ワークショップ
      • 年次報告書
      • 研究ニュース
      • 研究施設・設備
      • コアファシリティ
      • マリン・サイエンス・ステーション
      • OIST Sea neXus
      • OIST Land neXus
      • 研究支援
      • 研究基金
      • 図書館
      • 機関リポジトリ
      • コアファシリティ
      • プロフェッショナル育成支援
      • 産学官金連携
      • 鈴木祥平研究安全基金
      • グラント・学術連携
      • ビジタープログラム
      • 学術連携
      • 機関グラント
      • Other Grant Initiatives
      • プロボスト・ディーン
      • プロボストオフィス
      • 研究担当ディーンオフィス
      • 研究科長オフィス
      • 研究コンプライアンス
      • 研究公正の推進
      • 安全で責任ある研究
      • データ管理
      • 法令順守への取り組み
  • 教育
  • 入学案内
  • イノベーション
    • ニュース
    • メディア掲載
    • ソーシャルメディア
    • ポッドキャスト
    • 報道関係者の皆様へ
    • People of OIST
    • 一般・学校向け活動
    • 地域連携・科学教育ニュース
      • 小学校向け
      • Visits by Okinawa Elementary Schools
      • Visits by Elementary Schools in Japan to OIST
      • Visits by Elementary Schools Overseas to OIST
      • 中学校向け
      • STEP Okinawa
      • Unna Junior High School Science Club
      • Visits by Mainland Japan Junior High Schools
      • Visits by Overseas Junior High School Schools
      • 高校向け
      • Visit by Okinawa High Schools
      • Visits by Mainland Japan High Schools
      • Visits by Overseas High Schools
      • SEED Program
      • SHIMA
      • HiSci Lab
    • 大学向け
    • 一般向け
      • 展覧会・インスタレーション
      • バクテリオファージ(「細菌を食べる」ウイルス)をクライオ電子顕微鏡で可視化
      • OIST サイエンスの写真展
      • 沖縄への貢献
      • 【新型コロナ】社会貢献プロジェクト
      • OISTer スポットライト
    • SDGs
    • OISTサイエンススタジオ
      • キャンパスライフ
      • リソースセンター
      • OISTクリニック
      • レクリエーションサービス
      • ショッピング・レストラン
      • 保育・幼児教育
      • ハウジング
      • カウンセリング
      • キャンパスと施設
      • 会議施設
      • 研究施設
      • コミュニティ施設
      • 東京オフィス
      • シーサイドハウス
      • マリン・サイエンス・ステーション
      • アクセス・マップ
    • 駐車場
    • 採用情報
    • 准教授および教授の公募
    • バックグラウンドチェック
    • 赴任サポート
    • ダイバーシティ
    • プロフェッショナル育成支援とインクルージョン
    • よくあるご質問
  • 教育
  • 入学案内
  • イノベーション
  • OIST とは
  • 学生・教職員数等
  • 発行物・レポート
  • 不正通報ホットライン
  • OISTクリニック
  • OISTの研究
  • ニュース
  • メディア掲載
  • ソーシャルメディア
  • ポッドキャスト
  • 報道関係者の皆様へ
  • People of OIST
  • 一般・学校向け活動
  • 地域連携・科学教育ニュース
  • 大学向け
  • 一般向け
  • SDGs
  • OISTサイエンススタジオ
  • 駐車場
  • 採用情報
  • 准教授および教授の公募
  • バックグラウンドチェック
  • 赴任サポート
  • ダイバーシティ
  • プロフェッショナル育成支援とインクルージョン
  • よくあるご質問
  • 学長
  • 学長メディアライブラリー
  • 学長主催講演会
  • 学長オフィス
  • プレジデント・カウンシル
  • リーダーシップ & ガバナンス
  • 役員・大学幹部
  • 理事会
  • 評議員会
  • 組織図
  • 歴代理事長・学長
  • 基本方針・ルール・手続き
  • 沿革
  • 沖縄科学技術基盤整備機構
  • 尾身幸次
  • 調達情報
  • 工事関連の調達・入札情報
  • 物品・役務等の調達・入札情報
  • 調達規則類
  • お取引先の皆様へ
  • 海外からの搬入/営業について
  • キャンパスへの搬入/営業
  • 電子入札システム
  • 情報公開
  • 基本情報
  • 情報公開制度のご案内
  • 個人情報保護制度のご案内
  • 私立学校法に規定する書類
  • 学校教育法等に規定する情報の公表
  • 情報公開法第22条及び施行令第12条に基づく情報提供
  • 公文書管理法に基づく情報公開
  • 個人情報保護法第75条第1項に基づく情報公開
  • その他の公表情報
  • OISTにおける安全衛生
  • OISTの安全衛生体制について
  • 保健センター
  • 個人情報保護への取り組み
  • 個人情報ファイル簿
  • 研究者・研究ユニット
  • 教員
  • 研究ユニット
  • サイエンス・テクノロジー・グループ
  • ぶりぶし(群星)フェローシップ
  • オープンセンター
  • OIST量子技術センター
  • Open Center for Energy
  • 研究活動
  • 専門分野
  • カンファレンス・ワークショップ
  • 年次報告書
  • 研究ニュース
  • 研究施設・設備
  • コアファシリティ
  • マリン・サイエンス・ステーション
  • OIST Sea neXus
  • OIST Land neXus
  • 研究支援
  • 研究基金
  • 図書館
  • 機関リポジトリ
  • コアファシリティ
  • プロフェッショナル育成支援
  • 産学官金連携
  • 鈴木祥平研究安全基金
  • グラント・学術連携
  • ビジタープログラム
  • 学術連携
  • 機関グラント
  • Other Grant Initiatives
  • プロボスト・ディーン
  • プロボストオフィス
  • 研究担当ディーンオフィス
  • 研究科長オフィス
  • 研究コンプライアンス
  • 研究公正の推進
  • 安全で責任ある研究
  • データ管理
  • 法令順守への取り組み
  • 小学校向け
  • Visits by Okinawa Elementary Schools
  • Visits by Elementary Schools in Japan to OIST
  • Visits by Elementary Schools Overseas to OIST
  • 中学校向け
  • STEP Okinawa
  • Unna Junior High School Science Club
  • Visits by Mainland Japan Junior High Schools
  • Visits by Overseas Junior High School Schools
  • 高校向け
  • Visit by Okinawa High Schools
  • Visits by Mainland Japan High Schools
  • Visits by Overseas High Schools
  • SEED Program
  • SHIMA
  • HiSci Lab
  • 展覧会・インスタレーション
  • バクテリオファージ(「細菌を食べる」ウイルス)をクライオ電子顕微鏡で可視化
  • OIST サイエンスの写真展
  • 沖縄への貢献
  • 【新型コロナ】社会貢献プロジェクト
  • OISTer スポットライト
  • キャンパスライフ
  • リソースセンター
  • OISTクリニック
  • レクリエーションサービス
  • ショッピング・レストラン
  • 保育・幼児教育
  • ハウジング
  • カウンセリング
  • キャンパスと施設
  • 会議施設
  • 研究施設
  • コミュニティ施設
  • 東京オフィス
  • シーサイドハウス
  • マリン・サイエンス・ステーション
  • アクセス・マップ
  • OISTへのご寄付
  • ニュース
  • お問い合わせ
  • OISTメンバーログイン
OIST Logo
沖縄科学技術大学院大学
  • English
  • |
  • 日本語
header-logo-small
Select Language
検索
  • English
  • |
  • 日本語
close language switcher
search
close search

パンくず

ホーム

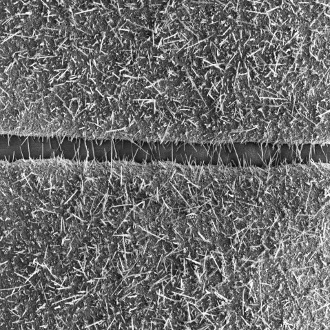
銅微細構造間の隙間を酸化銅ナノワイヤーが埋めていく様子を捉えたSEM画像(色加工処理済)。

銅微細構造間の隙間を酸化銅ナノワイヤーが埋めていく様子を捉えたSEM画像(色加工処理済)。

銅微細構造間の隙間を酸化銅ナノワイヤーが埋めていく様子を捉えたSEM画像(色加工処理済)。

日付:
2016年5月25日

Copyright OIST (Okinawa Institute of Science and Technology Graduate University, 沖縄科学技術大学院大学). Creative Commons Attribution 4.0 International License (CC BY 4.0).

全解像度画像をダウンロード

タグ

Research
シェア:
x icon facebook icon linkedin icon mail icon

Related Images

2013年5月27日に講堂にて講演を行うマイケル・ベリー卿
2013年5月27日に講堂にて講演を行うマイケル・ベリー卿
2013年5月25日、OIST講堂にて350名を超える聴衆を前に講演を行うマイケル・ベリー卿。
2013年5月25日、OIST講堂にて350名を超える聴衆を前に講演を行うマイケル・ベリー卿
窒素がないときとあるときの分裂酵母の成長と分裂の比較
分裂酵母は、窒素があるときは成長と分裂を繰り返すが、窒素が枯渇するとほとんど成長しないまま約8時間の間に2回分裂をして、半分の大きさになった後、完全に成長と分裂を止める。
ハマサンゴとハマサンゴに共生している茶色の褐虫藻
実際に実験に使用したハマサンゴ(A)とハマサンゴに共生している茶色の褐虫藻(B) 写真提供:OIST新里宙也博士
フレキシブル透明電極「Flextrode」
フレキシブル透明電極「Flextrode」
OISTへのご寄付 基本方針・ルール・手続き 情報公開 監事 不正通報ホットライン ソーシャルメディア アクセス サイトマップ
Linkedin icon
Linkedin
Flickr icon
Flickr
Facebook icon
Facebook
YouTube icon
YouTube
Instagram icon
Instagram
X (Twitter) icon
X (Twitter)
Bluesky icon
Bluesky
LINE icon
LINE
RSSフィード icon
RSSフィード

header-logo
沖縄科学技術大学院大学(OIST)
〒904-0495 沖縄県国頭郡恩納村字谷茶1919-1
お問い合わせ
OISTメールマガジンにご登録ください 沖縄科学技術大学院大学の教育研究活動は学際的で、科学技術研究の最先端を目指しています。
登録
データ保存に関するお知らせ
ご入力いただいた情報は、日本国外にあるサーバー上で保存・処理されます。OISTは、日本の個人情報保護法(APPI)を含む適用法令を遵守し、適切な保護措置を講じた上で、皆さまの情報を厳格に取り扱います。

Copyright © 2011-2026 沖縄科学技術大学院大学
OISTメンバーログイン プライバシーポリシー