Deep-sea vent bacteria with granules
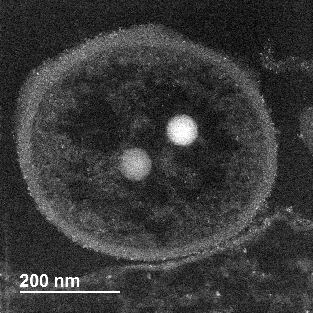
The deep-sea hydrothermal vent bacteria had cadmium-containing granules (light spots) that grew bigger and more abundant when exposed to high concentrations of the toxic metal, cadmium.
The deep-sea hydrothermal vent bacteria had cadmium-containing granules (light spots) that grew bigger and more abundant when exposed to high concentrations of the toxic metal, cadmium.
Date:
19 January 2023
Copyright OIST (Okinawa Institute of Science and Technology Graduate University, 沖縄科学技術大学院大学). Creative Commons Attribution 4.0 International License (CC BY 4.0).
Tags
Research