深海噴出孔のバクテリアと有害金属の根競べ

深海の熱水噴出孔から噴出される有害な金属の中で繁栄する細菌はどのようにして生存しているのでしょうか。その謎を解明することで、重金属を浄化する方法が見つかるかもしれません。

「深海」というと、暗く冷たい不毛の海底に、怪物のような深海生物が姿を現すような光景が浮かびます。しかし、海底では地中のマグマによって高温に熱せられた海水が、地殻に含まれる鉱物を豊富に含みながら割れ目から湧き出し、熱水噴出孔を形成しています。そこは、多様性豊かで特殊な海洋生態系にとってオアシスの役割を果たしています。

地上では、ほとんどの生物が太陽光からエネルギーを得ています。しかし、その光は深海の深さまで届きません。そのため、深海に棲むチューブワーム、カニ、ムール貝などの生物がエネルギー源として頼っているのは、噴出孔から放出される化合物から化学エネルギーを得ている細菌です。

沖縄科学技術大学院大学(OIST)の研究チームは、海洋研究開発機構(JAMSTEC)の協力を得て、熱水噴出孔から放出される有害金属に細菌がどのようにして適応するかを解明し、その研究成果を科学誌Environmental Microbiologyに発表しました。

OIST海洋生態物理学ユニット(御手洗哲司准教授)の元博士研究員で、本研究の筆頭著者でもあるアンジェラ・アレス博士は、次のように説明しています。「熱水噴出孔は、高圧、高温、無酸素で、有毒金属が豊富です。つまり、地球上で最も厳しい環境といえます。細菌は、このような過酷な環境に適応している驚くべき生物です。このような細菌がどのようにして繁栄したのかを解明することで、環境中に流出した有害金属を浄化する新たな解決策を見つけるなど、重要な応用につながる可能性があります。」

アレス博士をはじめとする研究チームは、Nitratiruptor sp. SB155-2という細菌の金属耐性に着目しました。この細菌種をJAMSTECが沖縄トラフの噴出孔から採取して培養し、OISTに提供しました。

細菌は、有害金属に対して大きく分けて3つの対処法をとります。ひとつは、細胞内の金属イオンを継続的に細胞外に排出する方法です。もうひとつは、有害金属を細胞内の顆粒に封じ込め、細菌の代謝反応を妨げないようにする方法です。そして最後のひとつは、酵素を作り、放出して金属を結晶化したり、無毒な化合物に変換したりして細胞外に沈殿させる方法です。

研究チームは、これらの噴出孔でよく見られる金属であるカドミウムと銅の2種類に対して細菌がとる対処法の類似点と相違点を調査しました。

アレス博士は、次のように説明しています。「どちらの金属も低濃度でも有毒ですが、1つ決定的な違いがあります。それは、銅は微量だと細菌にとって必要なものですが、カドミウムは生物学的機能を持たないとされている点です。そのため、細菌は銅濃度を厳密に調節する必要があり、カドミウムよりも銅に対して複雑な反応を示す可能性があると考えました。」

研究チームはまず、細菌が増殖できる各金属の最高濃度を特定しました。次に、その有害金属の最高濃度の中で培養した細菌と、有害金属がない環境で培養した細菌を比較し、活性が上昇した遺伝子と低下した遺伝子、また増加したタンパク質と減少したタンパク質を調べました。

研究チームは、細菌が輸送タンパク質を利用した特殊ではないごく一般的な方法でカドミウムと銅を細胞外に排出することを発見しました。しかし、これらの2種類の金属に対する細菌の反応には、明らかな違いも見られました。

「銅に関しては、他のストレス関連経路に関与する遺伝子と輸送ポンプに関連する遺伝子がはるかに多く関与していることがわかりました。このことは、銅に対して実に複雑に反応し、その濃度を微調整できることを示唆しています」とアレス博士は説明しています。

一方、細菌はカドミウムに対しても銅では見られなかった反応を示しました。その中でも最も驚くべき反応は、鞭毛(べんもう)の形成と「走化性」(化学刺激への反応としてみられる動き)に関わる遺伝子の活性が上昇したことです。

アレス博士は、次のように述べました。「遺伝子発現を測定するのも一つの方法ですが、百聞は一見にしかずということで、走査型電子顕微鏡で細菌を観察しました 。すると、驚くべきことに、カドミウムに曝された細菌は、ストレスを受けていない細菌よりも実際に鞭毛が生える確率が高かったのです。」

Bacteria with and without flagella
カドミウムに曝された細菌(右)は、そうでない細菌(左)よりも鞭毛が生える確率が高いことがわかった。

鞭毛があることで、細菌は移動し易くなります。そのため、カドミウム濃度が高くなり過ぎてストレスを受けた細菌は、より好ましい環境に移動しようとするために鞭毛が生える可能性が考えられます。このとき、細菌は単にランダムに移動するのではなく、増殖により適した環境を求めて特定の化学刺激から遠ざかったり近づいたりするため、走化性も重要な役割を担います。

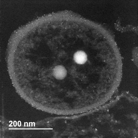
研究チームは、OISTの最新鋭の電子顕微鏡を使って細菌を観察し、細胞壁の外側に硫酸カドミウムが沈殿物として堆積していることも確認しました。さらに、カドミウムを含む細菌内の顆粒が増大し、増加していることも確認されました。

A bacterial cell with cadmium-containing granules (light spots)
深海熱水噴出孔の細菌は、カドミウムを含む顆粒(明るい点)を持っており、その顆粒は高濃度の有害金属であるカドミウムに曝されると増大し、増量することがわかった。

アレス博士は、最後に次のように述べています。「この細菌がこのような方法でカドミウムを無害化するのを見たときは、本当に興奮しました。この発見により、炭素を大量消費する方法に頼らずに重金属を浄化する方法を探るための新たな道筋が見えてきました。」

専門分野

広報・取材に関するお問い合わせ
報道関係者専用問い合わせフォーム

シェア: